Beskrivning
* förflyttas enkelt och lätt med hjälp av handkättingen
* passar de flesta lyftblock och telfrar
* passar IPE-, HEA-, HEB- och INP-balkar
* kan beställas med anpassad manöverhöjd
* pulverlackerade sidor i stål
* ställbar vänster- och högergängad bärbygel
* provbelastade med 1,5 x WLL
* arbetstemperatur -10° C upp till +50° C
* test- och CE-certifikat samt manualer medföljer
* spårbart med unikt SVERO serienummer
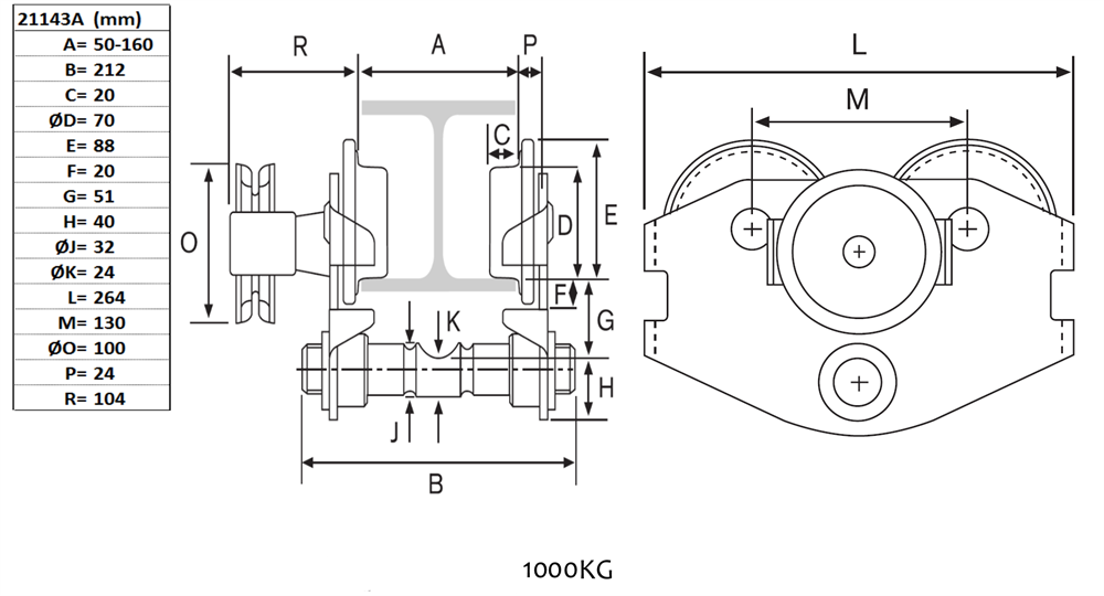
Balkvagn 1000 kg kättingdriven 3 m, 50-160 mm
4 720 kr inkl moms
Vår populäraste kättingdrivna balkvagn/blockvagn från Svero. Mycket allround. Passar i situationer när du behöver mer exakt kontroll av förflyttningen. Den lågbyggda 3-delade konstruktionen är lätt att montera. 1000 kg klarar många lyft i verkstaden, men även permanent upphängning av rör för exempelvis fjärrvärme och avlopp. Passar de flesta märken av lyftblock och telfrar. Enkelt ställbar genom den vänster- och högergängade bärbygeln. Kan beställas med anpassad manöverhöjd. Test- och CE-certifikat medföljer. Kapacitet: 1000 kg.
I lager
Leveransinformation
Snabb leverans! Den här produkten skickas vanligtvis inom 1 arbetsdag. Skickas med Schenker.
Delbetalning från 219 kr/månad







